Dụng cụ đo lỗ Mitutoyo
Dòng sản phẩm 511 – Loại chân ngắn
TÍNH NĂNG
- Nhỏ gọn và nhẹ nhờ vào độ dài chuôi ngắn
- Đầu tiếp xúc được phủ cacbua trở nên bền chắc hơn
THÔNG SỐ KỸ THUẬT
Inch
Chân đồng hồ ø 3/8 "
| Dải đo | Mã đặt hàng Với 2922SB Độ phân giải.0005" | Mã đặt hàng Với 2923SB-10 Độ phân giải .0001" | Số lượng đe | Số lượng miếng chặn |
|---|---|---|---|---|
| .7 – 1.4 " | 511-786 | 511-791 | 9 | 2 |
| 1.4 – 2.5 " | 511-787 | 511-792 | 6 | 4 |
| 2.0 – 6.0 " | 511-788 | 511-793 | 11 (2 " đe phụ) | 4 |
| 4.0 – 6.5 " | 511-789 | 511-794 | 13 | 4 |
Hệ mét
Chân đồng hồ ø 8mm
| Dải đo | Mã đặt hàng Với 2046SB Độ phận giải 0.01mm | Mã đặt hàng Với 2109SB-10 Độ phân giải 0.001mm | Số lượng đe | Số lượng miếng chặn |
|---|---|---|---|---|
| 18 – 35mm | 511-766 | 511-771 | 9 | 2 |
| 35 – 60mm | 511-767 | 511-772 | 6 | 4 |
| 50 – 150mm | 511-768 | 511-773 | 11 (50mm Đe phụ) | 4 |
| 100 – 160mm | 511-769 | 511-774 | 13 | 4 |
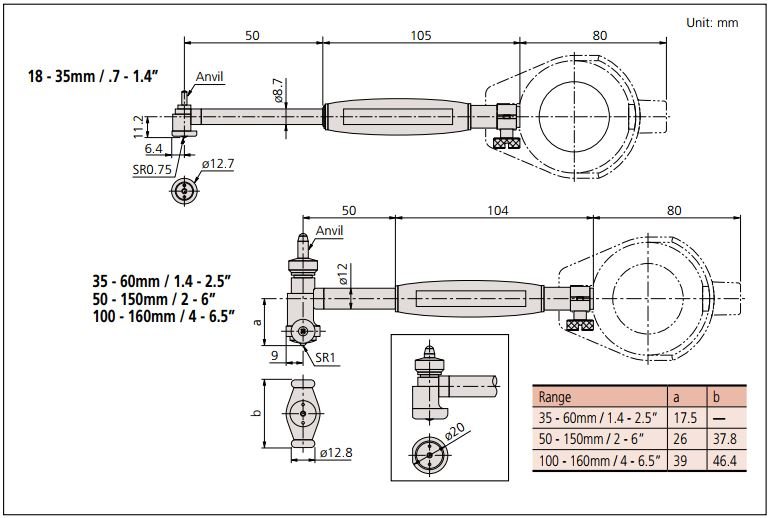
KÍCH THƯỚC
Thông số kỹ thuật
- Độ chính xác:2µm / .00008 "
- Độ ổn định:1µm / .00004 "
- Độ phân giải:0.01mm, 0.001mm, .0005 " or .0001 "
Đầu tiếp xúc
Phụ kiện tùy chọn
- – – – –:Dưỡng đo trục






