TECOTEC GROUP
Thiết bị cài đặt và hiệu chuẩn chiều dài Trimos H2001
Thiết bị cài đặt và hiệu chuẩn chiều dài Trimos HORIZON + GRANITE

GIỚI THIỆU
Horizon series là dòng thiết bị được chế tạo trên nguyên lý tiên tiến nhất với sự kết hợp chặt chẽ giữa hệ thống đo lường và hiển thị đảm bảo kết quả đo chính xác chỉ với những thao tác đo đơn giản, đáp ứng các yêu cầu kiểm tra khắt khe nhất.
Đây là thiết bị hoàn hảo để thiết lập tất cả các loại thiết bị đo so sánh và để kiểm tra chiều dài, đường kính trong và ngoài, đồng hồ đo ren, v.v.
- LÝ TƯỞNG ĐỂ SỬ DỤNG TRONG KHU XƯỞNG
- THAO TÁC ĐƠN GIẢN
- DỄ DÀNG KIỂM TRA VÀ CÀI ĐẶT CHÍNH XÁC
- CÓ THỂ TỰ VÂN HÀNH TRONG KHOẢNG 100 GIỜ
- NHIỀU LỰA CHỌN PHỤ KIỆN
Mô tả
HORIZON

HORIZON GRANITE

màn hình / PHẦN MỀM
HORIZON
- LỰA CHỌN GIÁ TRỊ: BÌNH THƯỜNG / MIN / MAX
- CÀI ĐẶT BAN ĐẦU CỦA MÀN HÌNH HIỂN THỊ VÀ CÀI ĐẶT TRƯỚC DỮ LIỆU ĐẦU VÀO
- DỮ LIỆU ĐẦU RA RS232
- HAI TÀI LIỆU THAM KHẢO
- LỰA CHỌN ĐỘ PHÂN GIẢI 0,01 MM – 0,001 MM
- LỰA CHỌN ĐƠN VỊ ĐO LƯỜNG MM / INCH (CHUYỂN ĐỔI TRỰC TIẾP)

HORIZON GRANITE
Heidenhain ND287 hoặc ND1100
- HIỂN THỊ ĐO LƯỜNG TUYẾN TÍNH VÀ LƯU TRỮ GIÁ TRỊ MIN. / MAX.
- MÀN HÌNH KỸ THUẬT SỐ
- CÀI ĐẶT BAN ĐẦU CỦA MÀN HÌNH HIỂN THỊ VÀ CÀI ĐẶT TRƯỚC DỮ LIỆU ĐẦU VÀO
- CÀI ĐẶT THAM SỐ
- KHỞI ĐỘNG MÀN HÌNH HIỂN THỊ BẰNG CHỨC NĂNG BÊN NGOÀI
- DỮ LIỆU ĐẦU RA RS232
Heidenhain ND287 hoặc ND1100

Heidenhain ND287 Heidenhain ND1100
PC với phần mềm WinDHI
- HỖ TRỢ HÌNH ẢNH CHO CÁC CHỨC NĂNG ĐO
- LỰA CHỌN ĐƠN VỊ ĐO LƯỜNG MM / INCH
- HIỂN THỊ TRỰC TIẾP TẤT CẢ CÁC GIÁ TRỊ ĐO CHIỀU DÀI VÀ LƯU TRỮ GIÁ TRỊ MIN. / MAX.
- ĐẶT TRƯỚC 9 GIÁ TRỊ ĐẦU VÀO
- NGHỊCH ĐẢO DẤU ĐO (+/-)
- TRUYỀN DỮ LIỆU BẰNG BÀN ĐẠP CHÂN

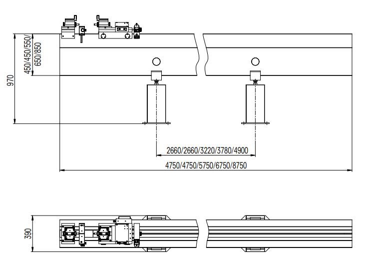
THÔNG SỐ KỸ THUẬT
| HORIZON | H501 | H1001 | H1501 | H2001 | |
|---|---|---|---|---|---|
| Dải đo | mm (in) | 520 (20) | 1020 (40) | 1520 (60) | 2020 (80) |
| Sai số tối đa 1) | µm | 2.5 + L/300 | |||
| Độ lặp lại (2s) 1) | µm | 1 | |||
| Độ phân giải | mm (in) | 0.01 / 0.001 (.0001 / .00005) | |||
| Tốc độ dịch chuyển tối đa | mm / s | 1500 | |||
| Lực đo | N | 3 | |||
| Thời gian hoạt động liên tục | h | 100 | |||
| Giao diện | RS232 | ||||
| Nhiệt độ vận hành | °C | +10 ÷ +40 | |||
| Nhiệt độ bảo quản | °C | -10 ÷ +40 | |||
| Khối lượng | kg | 94 | 126 | 158 | 190 |
Giá trị thay đổi trong khoảng nhiệt độ 20 ± 0.2 °C và độ ẩm tương đối 50 ± 5%..
| HORIZON GRANITE | HG3000 | HG4000 | HG5000 | HG6000 | HG8000 | |
|---|---|---|---|---|---|---|
| Dải đo | mm (in) | 3000 (118) | 4000 (157) | 5000 (196) | 6000 (236) | 8000 (315) |
| Sai số tối đa 1) | µm | 0.7 + L/750 | ||||
| Độ lặp lại (2s) 1) | µm | 0.5 | ||||
| Độ phân giải | mm (in) | 0.01 / 0.001 / 0.0001 (.001 / .0001 / .00001) | ||||
| Tốc độ dịch chuyển tối đa | mm / s | 2000 | ||||
| Lực đo | N | 3 | ||||
| Giao diện | RS232/USB | |||||
| Nhiệt độ vận hành | °C | +10 ÷ +40 | ||||
| Nhiệt độ bảo quản | °C | -10 ÷ +40 | ||||
| Độ ẩm tương đối | % | 20 ÷ 80 | ||||
| Khối lượng | kg | 1060 | 1980 | 3200 | 3700 | 4600 |
Giá trị thay đổi trong khoảng nhiệt độ 20 ± 0.2 °C và độ ẩm tương đối 50 ± 5%..
Lược đồ
HORIZON

HORIZON GRANITE

Thiết bị tiêu chuẩn
| HORIZON được cung cấp như sau: |
|---|
| Thiết bị theo thông số kỹ thuật |
| Cặp đồ gá song song 25mm (TEL5) |
| Bộ đổi nguồn AC đa năng (TA-EL-131) |
| Vỏ bảo vệ (TEL.HO 500/1000/1500/2000) |
| Bộ phím Allen (TA-TO-004) |
| Hướng dẫn sử dụng (750 50 0005 03) |
| Giấy chứng nhận kiểm định |
| HORIZON GRANITE được cung cấp như sau: |
|---|
| Thiết bị theo thông số kỹ thuật |
| Cặp đe với bề mặt cacbua vonfram (TEL1) |
| Tấm lợp (TA-TO-302) |
| Vỏ bảo vệ (TEL.HO 3000/4000/5000/6000/8000) |
| Ống khí nén và bộ lọc khí |
| Bộ phím Allen (TA-TO-004) |
| Hướng dẫn sử dụng (750 50 0003 03) |
| Giấy chứng nhận kiểm định |
Mã đặt hàng
| HORIZON | |
|---|---|
| H501 700 201 10 02 | Dải đo 500mm |
| H1001 700 201 20 02 | Dải đo 1000mm |
| H1501 700 201 30 02 | Dải đo 1500mm |
| H2001 700 201 40 02 | Dải đo 2000mm |
| HORIZON GRANITE | |
|---|---|
| HG3000 700 208 60 11 | Dải đo 3000 mm |
| HG4000 700 208 70 11 | Dải đo 4000 mm |
| HG5000 700 208 80 11 | Dải đo 5000 mm |
| |HG6000 700 208 90 11 | Dải đo 6000mm |
| HG8000 700 208 110 11 | Dải đo 8000 mm |
ỨNG DỤNG
Cài đặt 2 điểm thiết bị đo so sánh bên trong và bên ngoài
(TEL5 / TELMA 7 / TELMA 7.2)
Cài đặt 2 điểm đồng hồ đo
(TEL5 / TA-SU-301)
Kiểm tra thước kẹp
(TEL5.10)
Kiểm tra đồng hồ đo nhanh
(TELMA 8)
Kiểm tra đường kính trong của vòng nặng
(TEL9 / H-5)
Kiểm tra đồng hồ đo độ sâu
(TUM 19 / TEL5)
Kiểm tra panme đo ngoài
(TEL5 / TEL11)
Kiểm tra đồng hồ so
(TEL5CN)
Kiểm tra 2 điểm panme đo trong
(TEL5 / TELMA 7 / TELMA 7.2)
Cần tư vấn hoặc báo giá? Chuyên gia của chúng tôi phản hồi trong 2 giờ làm việc.
30 năm kinh nghiệm · Hơn 500 dòng thiết bị đo lường · Hỗ trợ kỹ thuật trọn vòng đời sản phẩm


